| Deutsch 
|  English
ZM2 Software für Triebstockverzahnung

ZM2 ist eine neue Software zur Berechnung von Triebstockverzahnungen. Ein Triebstock ist eine einfache Zahnstange mit eingeschweißten Bolzen zwischen zwei Blechen anstelle von Zähnen. Antriebsrad ist ein Kettenrad nach ISO 606 oder DIN 8187/8188. Die Abmessungen kann man von Datenbank wählen oder auch Sonderabmessungen selbst definieren. Die Abmessungen des Triebstocks entsprechen den Abmessungen der entsprechenden Kette. Alternativ zu einem Triebstock kann man eine Kette linear einspannen. Das Kettenrad für die Triebstockverzahnung muss etwas schmäler sein als für einen Kettentrieb. Deshalb und vor allem weil bei der Triebstockverzahnung meist nur ein Zahn im Eingriff ist, muss Festigkeit und Härte des Antriebsradrads höher sein als bei Verwendung als Kettenrad. ZM2 berechnet Hertzsche Pressung zwischen Triebstock und Antriebsrad sowie Scherspannung und Lochleibung von Bolzen und Triebstock.

In einer Animation kann man die Rotation des Antriebsrads und die Triebstockbewegung am Bildschirm simulieren.



Mit ZM2 kann man auch ein Getriebe mit einem Triebstockrad (Bolzen auf einem Lochkreis) statt Triebstock berechnen.
Das Triebstockrad kann Außenrad und Innenrad sein. Für Innenrad gibt man die Anzahl der Bolzen negativ ein (analog zu negativer Zähnezahl bei einem Hohlrad).
ZM2 ist ab sofort lieferbar zum Preis von 320 Euro.
ZM1, ZM2: Bruchkraft Kette
Bei ZM1 gibt es keine Werkstoffdaten, die Sicherheit wird aus der Bruchkraft der Kette berechnet. Wenn man daraus die Scherspannung des Bolzens eines Kettenglieds berechnet, ergeben sich recht hohe Werte: Mit tauB = FB / (Ad2) ergeben sich Werte bis zu 750 MPa. Das ist bei der Werkstoffauswahl für die Bolzen oder Zapfen bei Triebstoffverzahnung zu beachten.
Beim Triebstock werden in der Regel keine Rollen verwendet, bei durchgehenden Bolzen kann man den Bolzendurchmesser d2 gleich dem Rollendurchmesser setzen. Damit halbiert sich in etwa die maximale Scherspannung der Bolzen auf einen erträglichen Wert.
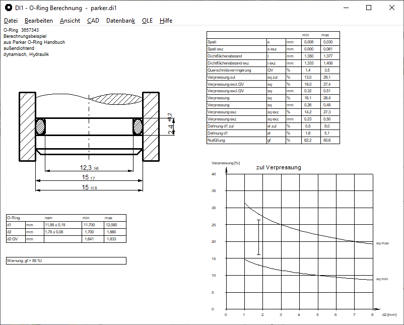
DI1: Quick3-Ansicht
In die Quick3-Ansicht wurde der Schnurdurchmesser bei Querschnittsverringerung durch Dehung sowie die Verpressung in mm ergänzt (mit und ohne Querschnittsverringerung des Schnurdurchmessers).

Im Ausdruck wurden Nutvolumen min/max, O-Ring Volumen min/max und O-Ring Gewicht ergänzt.
DI1: Querschnittsverringerung O-Ring, Fehler bei axialdichtender Anwendung
Wenn ein O-Ring auf einen Kolben aufgezogen oder in der Nut gedehnt wird, verringert sich sein Schnurdurchmesser. Wenn der O-Ring gestaucht wird, vergrößert sich sein Schnurdurchmesser jedoch nicht, stattdessen sucht er sich seinen Platz in der Nut. Bei axialer Abdichtung war in DI1 fälschlicherweise mit negativer Dehnung bei Vergrößerung des Schnurdurchmessers gerechnet worden, wenn der Innendurchmesser der Nut kleiner als der Innendurchmesser des O-Rings war. Dadurch ergaben sich zu hohe Werte für die Verpressung. Bei Stauchung sucht sich der O-Ring seinen Platz in der Nut. Deshalb wird die Nutfüllung jetzt nicht mehr aus O-Ring-Querschnitt und Nutquerschnitt berechnet, sondern aus O-Ring-Volumen und Nutvolumen.
Wenn bei Ihrer DI1-Software dieser Fehler auftritt, melden Sie sich bitte. Sie erhalten umgehend ein kostenloses Update auf die neueste Version.
FED1+ 2+ 3+ 5 6 7 8 17: Geforderte Schaltspielzahl

Seit einiger Zeit kann man die geforderte Schaltspielzahl eingeben. Das hat eigentlich nur den Zweck, die berechnete Lastspielzahl mit der geforderten zu vergleichen, und bei Überschreitung eine Fehlermeldung auszugeben. Bei 10 Millionen Lastspielen ist die Feder dauerfest. Was passiert nun, wenn man mehr als 10 Millionen Lastspiele eingibt? Bislang wurde daraus auch eine geringere zulässige Hubspannung berechnet, das ergibt eine zusätzliche Sicherheit. Wenn man aber davon ausgeht, dass die Feder, wenn sie 1E7 Lastspiele erträgt, auch unendlich viele Lastspiele erträgt, dann ist es egal ob man 10 Millionen Lastspiele oder 10 Milliarden Lastspiele eingibt. In den neuen Versionen gibt es jetzt eine Option "Calc Nreq > 10E6?", dann wird wie bisher eine virtuelle Lebensdauer für zusätzliche Sicherheit berechnet. Ansonsten wird angenommen dass die Feder unendlich viele Schaltspiele erträgt, wenn sie mindestens 10 Millionen Lastwechsel erträgt.
Bei Eingabe bitte beachten: 10E6 ist 10*10^6 oder 1E7 oder 10 Millionen.
1E6 ist 10^6 oder 1 Million.
FED14: No-Show Berechnungsformel

Weil es für die Berechnung von Schraubenwellfedern keine verbindliche Norm gibt, kann man unter verschiedenen Berechnungsmethoden wählen: als gewelltes Flachband mit verschiedenen Methoden zur Berücksichtigung des Windungsdurchmessers, oder mit Formeln und Tabellenwerten nach Smalley. Die Anzeige der Berechnungsformel in der Quick3-Ansicht kann man jetzt abschalten. Nützlich bei Weitergabe des Quick3-Ausdrucks, etwa vom Federhersteller an den Kunden, um Rückfragen zu vermeiden.
GEO1 ,TR1: Umschalten zwischen yz- und xy-Koordinatensystem

Bei der Trägerberechnung ist üblicherweise die Trägerlänge in x-Richtung, und der Querschnitt des Trägers in yz-Koordinaten definiert. Wer bei der Eingabe der Querschnittskoordineten y/z durcheinanderkommt weil er x/y Koordinaten gewöhnt ist, kann jetzt umschalten auf xy-Koordinatensystem.


WNXK, WNXE: Innendurchmesser Welle und Außendurchmesser Nabe
Falls Sie Innendurchmesser Welle und Außendurchmesser Nabe eingegeben haben, werden diese jetzt in der Fertigungszeichnung eingezeichnet und bemaßt.

SR1: Datenbank Werkstoff Platten/Mutter: Messing und Bronze ergänzt
CuZn39Pb3F50, G-CuSn12Pb und CuSn6 R980 wurden ergänzt in der pressung.dbf Werkstoffdatenbank für Klemmplatten und Mutterwerkstoff.
GEO2: STL Halbschnitt
Ein 3D-Modell des berechneten rotationssymmetrischen Körpers kann im Halbschnitt ausgedruckt werden. Hilfreich bei der schnellen Anfertigung von Schnittmodellen mit 3D-Drucker.

Corona Aktuell im Januar/Februar 2021
Wenn Behörden einkaufen...
.. dann wird es meist teurer und dauert länger. Obwohl die EU bei Biontech als erste in großem Stil bestellt hat, wird sie als letzte beliefert. Nach 2 Monaten sind weniger als 1% der bestellten Menge ausgeliefert. Von allen Seiten wird kritisiert, dass zu wenig bestellt wurde. Dabei ist diese Kritik völlig unberechtigt, eher wurde zu viel und überstürzt bestellt. Der Liefertermin ist das Problem. Aber tatsächlich macht die EU auch noch, was der smarte Biontech-Chef empfiehlt: mehr bestellen. Weitere 300.000.000 Dosen für >3.000.000.000 Euro. Damit kann die EU nun 80% aller Einwohner mit einer Biontech-Corona-Impfung beglücken, verkündet die EU-Präsidentin voller Stolz. Und weitere 300 Millionen Dosen sind bestellt von Curevac. Und von Moderna. Und von AstraZeneca. Und von Sogefi. Und von Johnson&Johnson. AstraZeneca probiert es mit demselben Trick, aber statt einer Nachbestellung hagelt es Kritik. Andere haben weniger und später bestellt und ihre Ware früher erhalten. Aber: Dem Staat Israel hat es nichts genützt, anderen Ländern die ersten produzierten Impfstoffe wegzuschnappen. Bei Impfbeginn im Dezember 2020 stieg die Anzahl der Neuinfektionen in Israel exponentiell an. Erst seit Schließung der Flughäfen ist die 7-Tage-Inzidenz rückläufig. Aber immer noch über 200 (270 am 22.2.21), gleich hoch wie bei Impfbeginn am 27.12.2020.
Contergan - Nachwirkungen
Jedes Medikament hat Nebenwirkungen. Viele stellt man erst viel später fest, beispielsweise eine Krebserkrankung oder Schädigung des Erbguts. Das harmlose Beruhigungsmittel "Contergan" galt hinsichtlich Nebenwirkungen als besonders sicher. Erst nach 9 Monaten kamen die Nebenwirkungen ans Tageslicht. Weitere 3 Jahren dauerte es, bis Contergan als Ursache für die Fehlbildungen bei Neugeborenen ausgemacht war.
Wenn Behörden Geschenke verteilen ...
..dann schenken sie einen Gutschein zur Abholung des Geschenks gegen eine Schutzgebühr.
Alle Welt kauft in Corona-Zeiten im Internet, um Kontakte zu vermeiden. Nur die deutsche Bundesregierung schickt Millionen Corona-gefährdete Bundesbürger in die Apotheken, um sich 6 Schutzmasken abzuholen und dafür 2 Euro auf den Tisch zu legen. Gescheiter wäre es gewesen, statt einem fälschungssicheren Gutschein gleich die 6 Papiermasken in den Briefumschlag zu packen.